
u∘=−R1Rfui

uo=(1+R1Rf)ui
当其中Rf=0时,输出电压与输入电压相等,即为电压跟随器


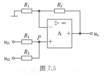
u∘=−(R1Rfui1+R2Rfui2)

u∘=(1+RRf)(R1+R2R2ui1+R1+R2R1ui2)

uo=−(uol+ui2)=ui1−ui2

通过叠加定理分析
u∘=u∘′+u∘′′=−R1R2uil+R1R1+R2R3+R4R4ui2

u∘=−RC1∫u idt
实际上常在C上并联一个电阻,由于该电阻很大,可忽略。

u o=−RCdtdu i
重温二极管的伏安特性:
iD=IS(eUTuD−1)
在这里近似看成:
iD≈ISeUTuD

u∘=−UTlnRISui
对其可以进行温度补偿改造:

具体公式略。

uo=−iRR=−ISReUTui
同样地,了解一下温度补偿:


u0=kuXuY
以下为应用。


u0=−kR1R2u12u11

u0=−kR1R2u1

A˙u=U˙iU˙o=1+jωRC1(1+R1R2)
A˙u=1+ωnjωA0
∣A˙u∣=1+(ωnω)2A0
其中
A0=1+R1R2,ωn=RC1

A点处连接到输出端的作用是在拐点处添加正反馈:

列节点电压方程:
(R1+R1+jωC)U˙A−R1U˙B=RU˙i+jωCU˙o
−R1U˙A+(R1+jωC)U˙B=0
我去这最终公式是人背的吗,不背了。
A˙u=U˙iU˙o=1+(3−A0)jωRC+(jωRC)2A0

∣A˙u∣=[1−(ωnω)2]2+(Qωnω)2A0ω2

通带宽度:
BW=2πQω0=Qf0

和带通类似,阻带宽度:
BW=2πQω0=Qf0

IL=RUz

U0=(1+RRf)Uz
- 直流电压表
- 放大电路
- 电压-电流转换电路
- 精密整流电路



在简单比较器的基础上引入正反馈回路。
u0=±UZ
uP=R2+R3R2uo=R2+R3R2(±UZ)
UTH1=R2+R3R2UZUTH2=−R2+R3R2UZ

UTH1=R2R1+R2UREF−R2R1(−U2)UTH2=R2R1+R2UREF−R2R1(+U2)
